Faced with the need to measure heatsink temperature in an Arduino project and being unwilling to putz around with a MAX6675 thermocouple amp, I found a bag of thermistors in the heap. Unlike most surplus, the bag pedigreed them as Semitec 103CT-4, which led to some relevant parameters:
- T0 = 25 °C
- R0 = 10 kΩ
- B = 3270 K
The equation for a thermistor’s resistance at a given temperature (in K, not °C) is:
R = R0 * e(B/T - B/T0)
The canonical Arduino thermistor circuit uses a series resistor with a value equal to R0:

Setting Rseries = 10 KΩ and applying a bit of spreadsheet-fu produces this:

Getting within +2 °C /-1 °C over -20 °C to 60 °C isn’t all that bad, but … I wondered whether there might be an easy way to get better linearization. The heatsink temperature will range from about -10 °C to 60 °C (yes, there will be a Peltier cooler involved), so the range is a bit broader than usual.
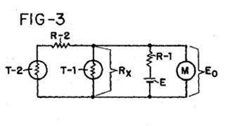
A bit of diligent rummaging turned up that description, which led to US Patent 3,316,765 from back in 1967, which teaches the concept of two different thermistors, one for low temperatures and one for high temperatures, with some resistive blending:

The patent includes the claim of many different thermistors, each with a series resistor, to cover a much broader temperature range.
Given a bag of identical thermistors, I wondered what might be possible. A bit more spreadsheet-fu produced this:

Which corresponds to this sketch, with Rseries = 6.2 kΩ, R1 = 27 kΩ, and R2 = 0.0:

All in all, a nicely centered ±1 °C error from -15 °C to +60 °C can’t be beat. The output voltage even spans 0.13 to 0.71 of Vcc, about 9 of the available 10 ADC bits.
Those two resistors came from hand-tweaking with standard values, so it’s not like there’s a genetic algorithm involved. The value of Rseries wants to be a bit below the parallel combination of the two branches near 30 °C and R1 seems happiest around the 0 °C thermistor resistance. I vaguely thought about using a multivariable solver, but what’s the point?
The result seems good enough that I didn’t try three thermistors. T2, the one with R2=0, already handles the high temperature range and the low end is fine, so it seems there’s not much to be gained. If you had a stash of different thermistors and knew their characteristics, then the results would be different.
Admittedly, one could program the actual logarithmic equation to unbend a single thermistor’s voltage into temperature, but I must kludge up a thermistor mount anyway, so why not entomb two thermistors and an SMD resistor, then use a linear fit? It’s not like fancy math will give the whole lashup any greater accuracy.
The spreadsheet may be of interest. It started out as an OpenOffice spreadsheet, but WordPress doesn’t permit *.ods files, soooo it’s in MS Excel format.
Comments
4 responses to “Thermistor Linearization”
That’s really cool and really useful: thank you!
[…] faceplant with that resistor. With any luck, it’ll measure MOSFET on-state drain resistance over temperature for an upcoming Circuit Cellar column; it’s a honkin’ big Arduino shield, of […]
[…] MOSFET PWM adjusts the power to keep the module at the right temperature. The feedback comes from a thermistor epoxied to the aluminum block holding the MOSFET, which in turn is epoxied to the module and then […]
[…] figured out the dual-thermistor circuit, I made a small mold from cut-up credit card-ish things, laid down a layer of JB Weld epoxy, and […]